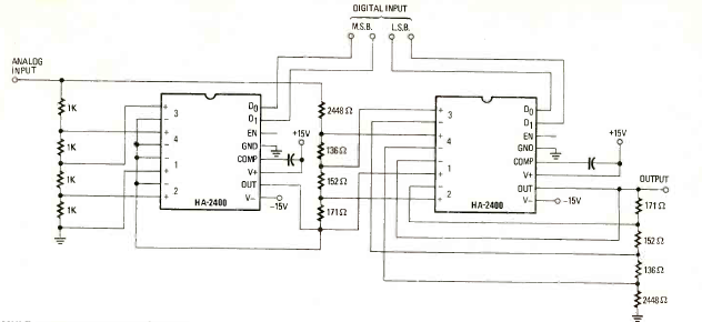
Este circuito de conversor de digital para analógico foi encontrado na revista Radio Electronics de março de 1980. A fonte de alimentação deve ser simétrica e os controles digitais podem ser TTL.

Este circuito de conversor de digital para analógico foi encontrado na revista Radio Electronics de março de 1980. A fonte de alimentação deve ser simétrica e os controles digitais podem ser TTL.
