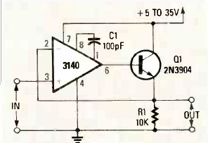
Este amplificador inversor tem uma etapa de saída com transistor que pode aumentar sua capacidade de corrente. Podem ser usados transistores de maior corrente.

Este amplificador inversor tem uma etapa de saída com transistor que pode aumentar sua capacidade de corrente. Podem ser usados transistores de maior corrente.
