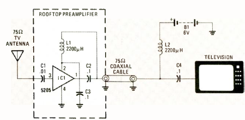
Este circuito que também serve para amplificar siais de FM de uma antena externa foi encontrado na revista Radio Electronics de maio de 1987. Observe que o circuito é alimentado pelo próprio cabo de descida.

Este circuito que também serve para amplificar siais de FM de uma antena externa foi encontrado na revista Radio Electronics de maio de 1987. Observe que o circuito é alimentado pelo próprio cabo de descida.
