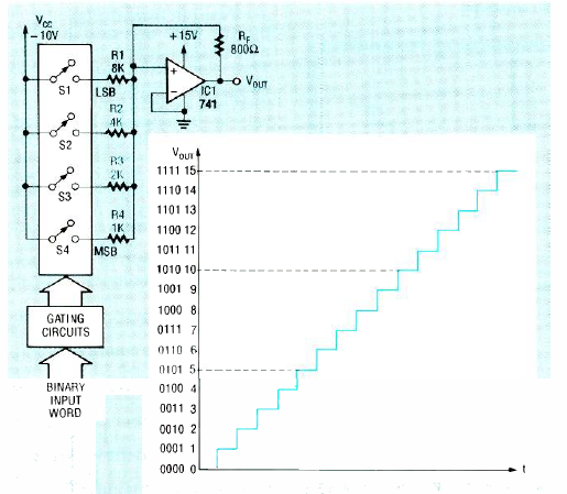
Este circuito de conversor digital para analógico pode usar qualquer CI de chaves digitais. O circuito é de uma revista Radio Electronics de julho de 1991.

Este circuito de conversor digital para analógico pode usar qualquer CI de chaves digitais. O circuito é de uma revista Radio Electronics de julho de 1991.
