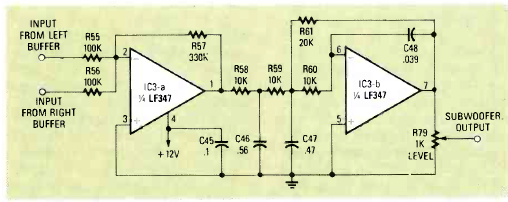
Este circuito passa baixas foi encontrado na revista Radio Electronics de dezembro de 1990. O circuito faz parte de um sistema de som para home theater.

Este circuito passa baixas foi encontrado na revista Radio Electronics de dezembro de 1990. O circuito faz parte de um sistema de som para home theater.
