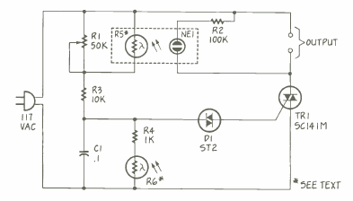
Este circuito controla uma iluminação externa acendendo ao anoitecer e apagando pela manhã. O circuito é de uma Radio Electronics de outubro de 1987.

Este circuito controla uma iluminação externa acendendo ao anoitecer e apagando pela manhã. O circuito é de uma Radio Electronics de outubro de 1987.
