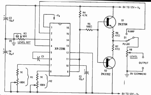
Este interessante circuito para bancada foi encontrado na revista Radio Electronics de maio de 1977. O circuito tem ajuste de frequência e a forma de onda selecionada por uma chave.

Este interessante circuito para bancada foi encontrado na revista Radio Electronics de maio de 1977. O circuito tem ajuste de frequência e a forma de onda selecionada por uma chave.
