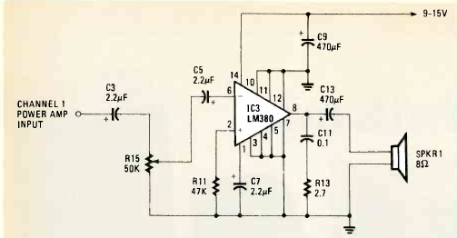
Este é mais um dos circuitos com o LM380 que temos nesta seção. Encontramos num artigo sobre amplificador para Walkman da revista Radio Electronics de março de 1986.

Este é mais um dos circuitos com o LM380 que temos nesta seção. Encontramos num artigo sobre amplificador para Walkman da revista Radio Electronics de março de 1986.
