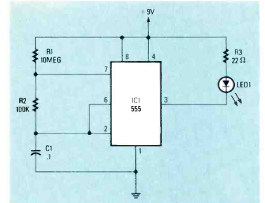
Este simples pulsador apareceu num artigo para ser feito com componentes SMD. A revista é a Radio Electronics de novembro de 1987. O circuito pode operar com outras tensões de acordo com o LED e a aplicação.

Este simples pulsador apareceu num artigo para ser feito com componentes SMD. A revista é a Radio Electronics de novembro de 1987. O circuito pode operar com outras tensões de acordo com o LED e a aplicação.
