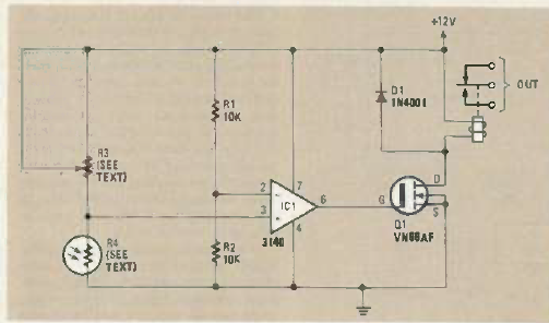
Ao contrário do circuito anterior, este tem o disparo quando a temperatura cai abaixo do valor ajustado. O circuito é da revista Radio Electronics de junho de 1986.

Ao contrário do circuito anterior, este tem o disparo quando a temperatura cai abaixo do valor ajustado. O circuito é da revista Radio Electronics de junho de 1986.
