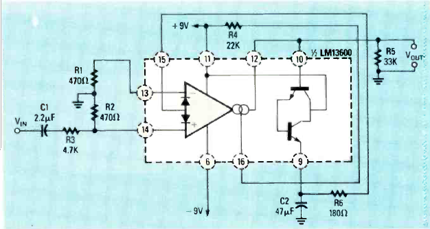
Este circuito com controle automático de ganho foi encontrado na revista Radio Electronics de julho de 1988. O circuito se baseia num amplificador operacional de transcondutância.

Este circuito com controle automático de ganho foi encontrado na revista Radio Electronics de julho de 1988. O circuito se baseia num amplificador operacional de transcondutância.
