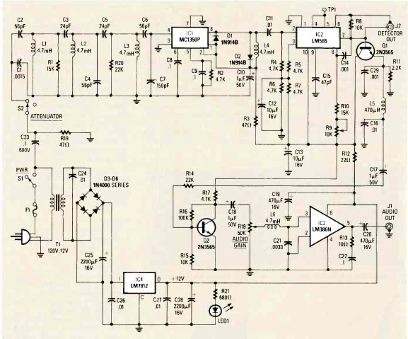
Diferentemente do anterior, este circuito se destina à recepção de sinais modulados em frequência transmitido pela rede de energia. O circuito é de uma Radio Electronics de fevereiro de 1989.

 


 

 

 

NO YOUTUBE


NOSSO PODCAST