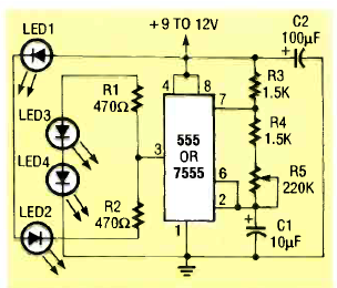
Encontrado na revista Radio Electronics de janeiro de 1992, este circuito tem a frequência controlada por R5. Essa frequência pode ser ajustada entre 15 Hz e 2KHz.

Encontrado na revista Radio Electronics de janeiro de 1992, este circuito tem a frequência controlada por R5. Essa frequência pode ser ajustada entre 15 Hz e 2KHz.
