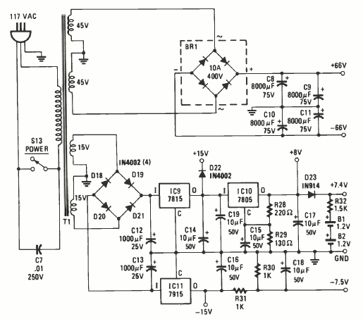
Esta é a fonte de alimentação para o amplificador doi circuito anterior. Os reguladores de tensão devem ser dotados de dissipador de calor e o transformador é de alta corrente.

Esta é a fonte de alimentação para o amplificador doi circuito anterior. Os reguladores de tensão devem ser dotados de dissipador de calor e o transformador é de alta corrente.
