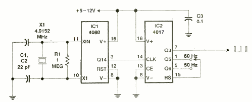
Este circuito com cristal pode gerar sinais precisos de 50 ou 60 Hz. O circuito é de uma revista Electronics Now de novembro de 1998. O sinal de saída consiste em pulsos retangulares.

Este circuito com cristal pode gerar sinais precisos de 50 ou 60 Hz. O circuito é de uma revista Electronics Now de novembro de 1998. O sinal de saída consiste em pulsos retangulares.
