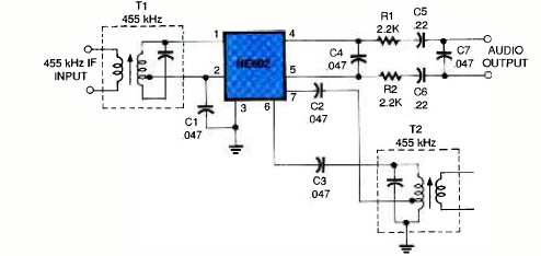
Este circuito com o NE602 foi encontrado na revista Electronics Now de fevereiro de 1997. O circuito integrado NE602 é pouco comum em nossos dias.

Este circuito com o NE602 foi encontrado na revista Electronics Now de fevereiro de 1997. O circuito integrado NE602 é pouco comum em nossos dias.
