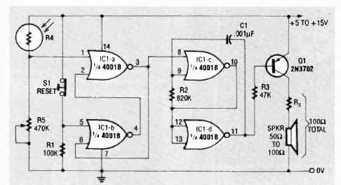
Este alarme com integrado CMOS foi encontrado na revista Radio Electronics de julho de 1992. O circuito tem uma pequena etapa de potência e sua sensibilidade é ajustada em R5.

Este alarme com integrado CMOS foi encontrado na revista Radio Electronics de julho de 1992. O circuito tem uma pequena etapa de potência e sua sensibilidade é ajustada em R5.
