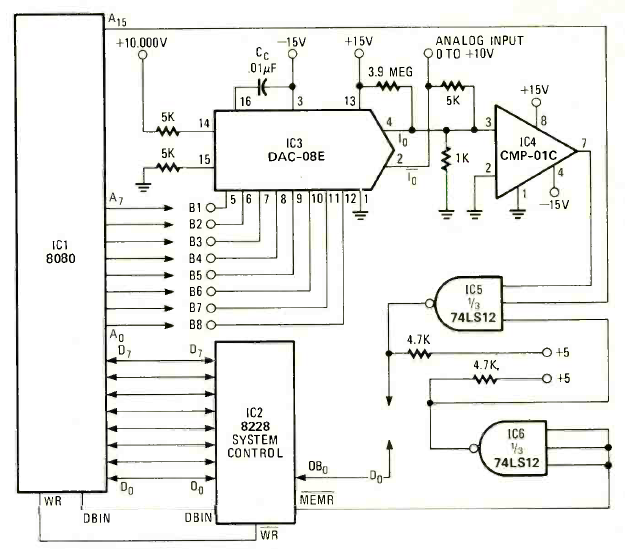
Na figura temos o modo de se usar um 8080 num conversor digital para analógico. O circuito é de uma Radio Electronics de fevereiro de 1978. Os demais componentes são da época, exceto os TTL.

Na figura temos o modo de se usar um 8080 num conversor digital para analógico. O circuito é de uma Radio Electronics de fevereiro de 1978. Os demais componentes são da época, exceto os TTL.
