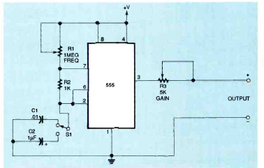
Ideal para ser usado na bancada este circuito de duas faixas de frequências foi obtido na revista Elecronics Now de 1995. O circuito pode ser alimentado com tensões de 5 a 12 V.

Ideal para ser usado na bancada este circuito de duas faixas de frequências foi obtido na revista Elecronics Now de 1995. O circuito pode ser alimentado com tensões de 5 a 12 V.
