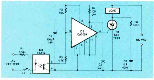
Este circuito usa um acoplador óptico para comutar uma carga na rede de energia. O circuito é da revista Electronics Now de julho de 1995. O CA3059 não é comum atualmente.

Este circuito usa um acoplador óptico para comutar uma carga na rede de energia. O circuito é da revista Electronics Now de julho de 1995. O CA3059 não é comum atualmente.
