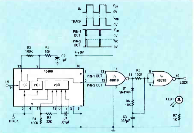
Utilizando um PLL 4046 este circuito reconhece um tom de 1,6 a 1,8 kHz acionando um LED de saída. O circuito é de uma Radio Electronics de dezembro de 1989.

Utilizando um PLL 4046 este circuito reconhece um tom de 1,6 a 1,8 kHz acionando um LED de saída. O circuito é de uma Radio Electronics de dezembro de 1989.
