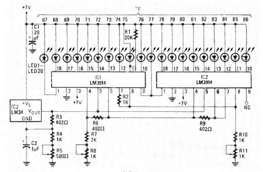
Este circuito bargraph foi encontrado na revista Radio Electronics de janeiro de 1986. Ele se baseia no conhecido LM3914 e tem dois deles em cascata acionando boa quantidade de LEDs.

Este circuito bargraph foi encontrado na revista Radio Electronics de janeiro de 1986. Ele se baseia no conhecido LM3914 e tem dois deles em cascata acionando boa quantidade de LEDs.
