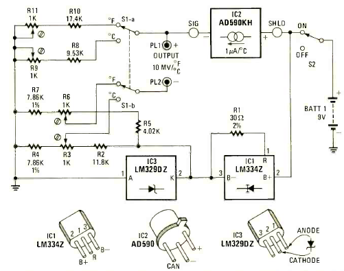
Este circuito foi encontrado na revista Radio Electronics de julho de 1978. O circuito usa o voltímetro digita comum como indicador. Os sensores são circuitos integrados da época.

Este circuito foi encontrado na revista Radio Electronics de julho de 1978. O circuito usa o voltímetro digita comum como indicador. Os sensores são circuitos integrados da época.
