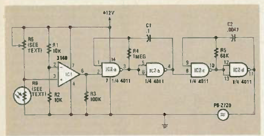
Usando como base o CA3140, este circuito foi encontrado na Radio Electronics de junho de 1986. O ajuste de sensibilidade é feito no trimpot em série com o sensor.

Usando como base o CA3140, este circuito foi encontrado na Radio Electronics de junho de 1986. O ajuste de sensibilidade é feito no trimpot em série com o sensor.
