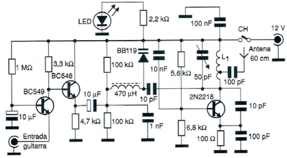
O circuito mostrado na figura é de um pequeno transmissor que envia os sinais do raptador de uma guitarra para um receptor de FM ou equipamento de som próximo. Ele é projetado para operar com raptadores magnéticos e seu alcance pode chegar aos 100 metros, dependendo das condições do local e da sensibilidade do receptor. A modulação é feita por varicap para se obter melhor qualidade de som e estabilidade.
O circuito também conta com uma etapa pré-amplificador de baixa impedância para casar com as características do raptador da guitarra. A bobina L1 é formada por 5 espiras de fio 18 a 22 em forma de 0,5 cm de diâmetro sem núcleo, com tomada na segunda espira para conexão da antena, que pode ser do tipo telescópico com até 60 cm de comprimento. Os capacitares de baixo valor devem ser todos cerâmicos, e a alimentação é feita com 12 V de fonte com excelente filtragem para que não ocorram roncos. O cabo de entrada para os sinais de áudio deve ser blindado. Uma instalação em caixa metálica ajudará a evitar a captação cie zumbidos, pois ela servirá de blindagem. Se o transistor 2N2218 tendera se aquecer, coloque um pequeno dissipador de calor. Ivan Fernando Roberto - Avaré - SP Publicado na revista Eletrônica Total 124 – projetos dos leitores de 2007.
















