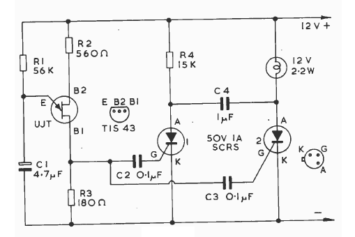
Este biestável alternada tem uma configuração explorada em outros artigos deste site. A frequência é dada basicamente por C1 e o unijunção pode ser o 2N2646 também.

Este biestável alternada tem uma configuração explorada em outros artigos deste site. A frequência é dada basicamente por C1 e o unijunção pode ser o 2N2646 também.
