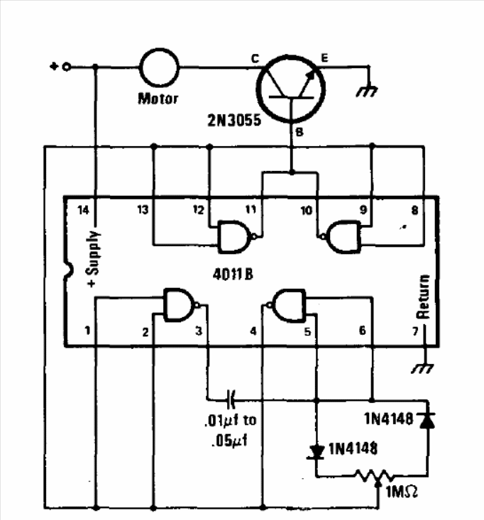
Este circuito PWM foi encontrado numa publicação americana de 1978. Ele consiste num simples controle que, na realidade pode controlar motores de 3 a 12 V com correntes até uns 3 A. O transistor deve ser dotado de um radiador de calor, se a corrente do motor for maior do que 1 A. O circuito pode ser adaptado para operar como um shield de controle. Podem ser usados transistores de menor corrente, de acordo com o motor, como os BD135, TIP31, etc.
















