11111111111
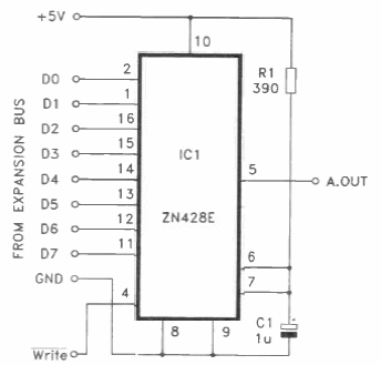
Indicado para aplicações com um PC, este circuito foi encontrado numa documentação inglesa de 1992. O circuito integrado usado ZN428 não é comum atualmente.

11111111111
Indicado para aplicações com um PC, este circuito foi encontrado numa documentação inglesa de 1992. O circuito integrado usado ZN428 não é comum atualmente.
