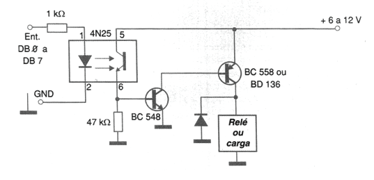
Para controlar relés ou motores DC de forma segura com um duplo isolamento pela porta paralela, sugerimos o circuito da figura. O isolador óptico isola o circuito do microprocessador ou do PC do circuito de acionamento dos relés, que pode operar com tensão diferente de 5 V. Na verdade, com o uso de relés de 12 V é possível obter melhor desempenho. Os relés de 12 V são mais fáceis de obter, mais sensíveis e com isso podem facilitar a montagem da interface.O resistor R1 deve ter seu valor escolhido de acordo com o tipo de acoplador óptico empregado de modo a se obter o ponto ideal de disparo com o sinal da porta no nível alto. Uma possibilidade para se encontrar o melhor valor, consiste em se usar no desenvolvimento do projeto um trimpot e depois substituí-lo por um resistor fixo. Levando em conta que os relés de 12 V comuns são especificados para uma corrente de 50 mA, a fonte deve ser dimensionada prevendo-se os instantes em que todos eles estejam acionados. Assim, para uma interface em que as 8 saídas da porta paralela sejam usadas, a fonte deve ser capaz de fornecer os 400 mA exigidos.
















