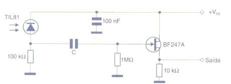
Sinais modulados em até alguns megahertz podem ser detectados com o circuito mostrado na figura que faz uso de um fotodiodo como sensor e um transistor de efeito de campo de baixa potência como elemento amplificador. A sensibilidade depende do resistor de 100 k Ω em série com o fotodiodo, o qual pode ser alterado conforme a aplicação. O capacitor C tem seu valor escolhido na faixa de 1 nF a 100 nF, conforme a frequência de modulação do sinal recebido. A alimentação pode ficar entre 5 V e 15 V, tipicamente. O sensor pode ser qualquer fotodiodo ou mesmo uma junção PN de um fototransistor.
















