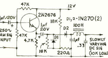
A finalidade deste circuito é detectar o áudio que modula em amplitude uma portadora de RF. O circuito é para portadoras de baixa frequência. Encontramos numa Radio Electronics de maio de 1967.

A finalidade deste circuito é detectar o áudio que modula em amplitude uma portadora de RF. O circuito é para portadoras de baixa frequência. Encontramos numa Radio Electronics de maio de 1967.
