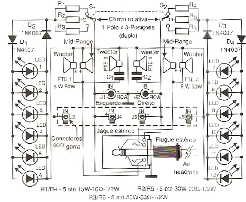
Este circuito serve como auxiliar para aqueles que trabalham em reparações de equipamentos de áudio.Com ele, o técnico poderá ajustar a divisão da saída de potência do som nos canais pelo acendimento dos LEDs, os quais podem ser coloridos: vermelho, verde ou amarelo, formando um VU-meter luminoso que dá a noção de equilíbrio da saída estéreo. Para funcionar, o aparelho em teste deverá ter pelo menos 5 W de potência por canal.
Em S1 e S2 são feitas as seleções da potência de saída na faixa de 5 a 50 W. Outro método de se fazer o teste é o auditivo, através do sistema de alto-falantes que compõem o circuito, ou ainda por fone de ouvido. Como se trata de um teste para bancada, a sua construção e instalação torna-se diferenciada de uma caixa de som. José Vieira Neto
Para conectar aparelhos de áudio de diferentes marcas, as entradas de- vem ser formadas por diversos tipos de conectores. Fica a critério do instalador a escolha dos alto-falantes. Observe entretanto, antes de testar o aparelho a sua potência para que ele não danifique os alto falantes e os resistores encontrados na chave seletora.
















