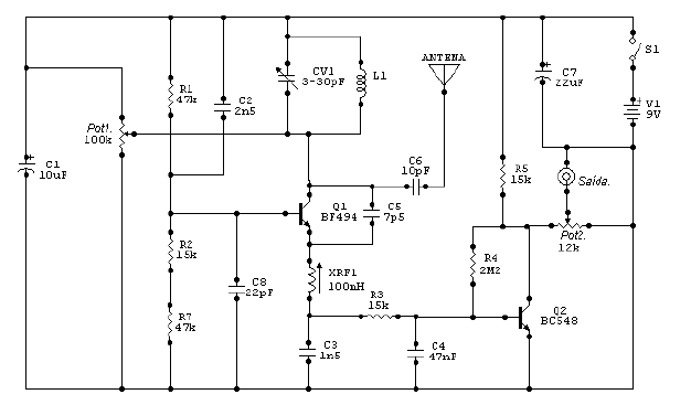
O receptor apresentado acima foi enviado pelo leitor colaborador Adriano Muniz Moura e é usado para a faixa de FM comum de 88MHz a 108MHz. Ele pode ser usado para experiências em escolas. O circuito tem como base seu oscilador que é formado pela bobina L1, CV1 e o choque de rádio frequência XRF1. Os resistores são de 1/8 w e os capacitores são para 25v e a bobina L1 é formada por 4 espiras de fio 20 com 8,5mm de diâmetro sem núcleo e o trimmer é de 3-30pF de plástico de boa qualidade. O transistor BF494 pode ser substituído pelo BF495 e o pot 1 é usado para ajuste de sensibilidade do circuito que deve ser montado em placa do tipo fibra de vidro e as ligações devem ter as ligações as mais curtas possíveis. A antena usada é um pedaço de fio rígido com aproximadamente 65cm de comprimento e caso durante o uso do receptor o mesmo capte muito ruído o capacitor C6 de 10pF pode ser substituído por outro de 15pF também de cerâmica tipo disco. A fonte de alimentação usada pode ser qualquer uma que tenha boa filtragem e corrente mínima de 500mA com tensão de 9 a 12V. O choque de RF (XRF1 ) deve ser do tipo comercial de 100mH a 120mH ou 60 espiras de fio 32 em um resistor de 100k. Este projeto pode ser usado como base para receptores maiores ou ainda servindo como base também para receptores de VHF (com poucas alterações).
















