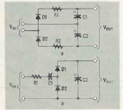
Na figura temos duas configurações simples de dobradores de tensão. Resistores e diodos são selecionados de acordo com as tensões e correntes.desejadas.

Na figura temos duas configurações simples de dobradores de tensão. Resistores e diodos são selecionados de acordo com as tensões e correntes.desejadas.
