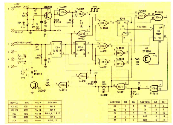
Este circuito sofisticado foi encontrado na revista Radio Electronics de novembro de 1978. Baseado em lógico CMOS ele tem diversos tipos de temporização, controlando o relé do limpador.

Este circuito sofisticado foi encontrado na revista Radio Electronics de novembro de 1978. Baseado em lógico CMOS ele tem diversos tipos de temporização, controlando o relé do limpador.
