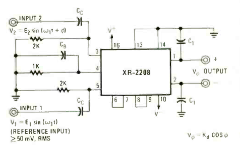
Encontrado na edição de abril de 1978 da revista Radio Electronics, este circuito deve ser alimentado por uma fonte simétrica de 15 V. Os sinais são de baixa intensidade.

Encontrado na edição de abril de 1978 da revista Radio Electronics, este circuito deve ser alimentado por uma fonte simétrica de 15 V. Os sinais são de baixa intensidade.
