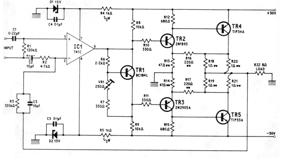
Este circuito foi obtido numa velha publicação de 1974, mas ainda pode ser montado com algumas alterações de componentes. TR2 pode ser um BD135, TR1 um BC548 e TR3 um BD136.A fonte deve fornecer uma corrente de pelo menos 2 A e os transistores de saída devem ser dotados de radiadores de calor. Observe que a fonte é simétrica.
















