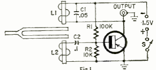
Este circuito eletromecânico com transistor foi encontrado numa Radio Electronics de junho de 1952. O circuito deve ser acoplado a um amplificador e o transistor pode ser qualquer PNP de uso geral de germânio da época.

Este circuito eletromecânico com transistor foi encontrado numa Radio Electronics de junho de 1952. O circuito deve ser acoplado a um amplificador e o transistor pode ser qualquer PNP de uso geral de germânio da época.
