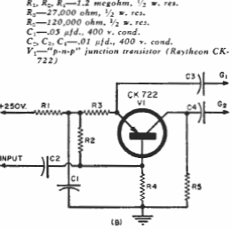
Esta é uma das muitas configurações de inversor de fase que o leitor pode encontrar neste site. Encontramos num manual de transistores dos anos 60. O transistor é de germânio da época.

 


 

 

 

 

NO YOUTUBE


NOSSO PODCAST