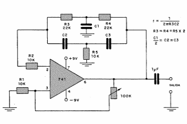
Na figura temos a configuração típica de um oscilador senoidal de áudio com duplo T. A frequência é dada pelo duplo T, podendo ser calculada pelas fórmulas junto ao diagrama.

Na figura temos a configuração típica de um oscilador senoidal de áudio com duplo T. A frequência é dada pelo duplo T, podendo ser calculada pelas fórmulas junto ao diagrama.
