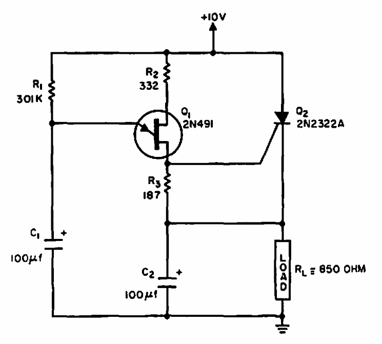
Esta chave de retardo de 40 segundos foi encontrada numa Electronic Design de 1965. O transistor unijunção pode ser o 2N2646 e o SCR um equivalente moderno sensível.

 


| Clique na imagem para ampliar |

 

 

 

NO YOUTUBE


NOSSO PODCAST