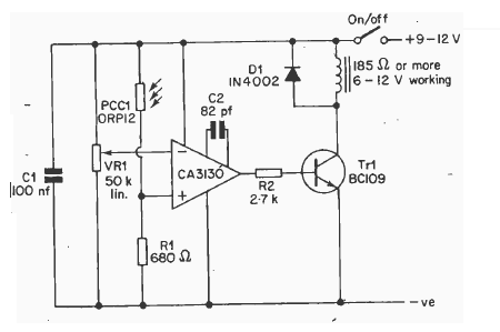
Trata-se da versão do circuito anterior com acionamento por sombra. O circuito pode usar relés de 5 a 12 V e a faixa de tensões pode ser a mesma. O circuito é de 1977.

Trata-se da versão do circuito anterior com acionamento por sombra. O circuito pode usar relés de 5 a 12 V e a faixa de tensões pode ser a mesma. O circuito é de 1977.
