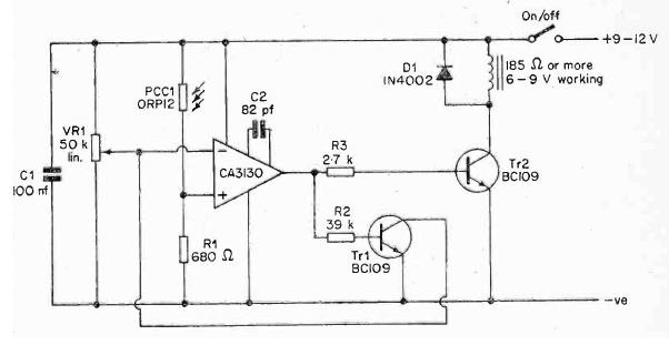
Este circuito usa um sistema de realimentação que trava o relé ao ser fechado. O circuito usa um operacional com FET CA3130 e os transistores podem ser os BC548.

Este circuito usa um sistema de realimentação que trava o relé ao ser fechado. O circuito usa um operacional com FET CA3130 e os transistores podem ser os BC548.
