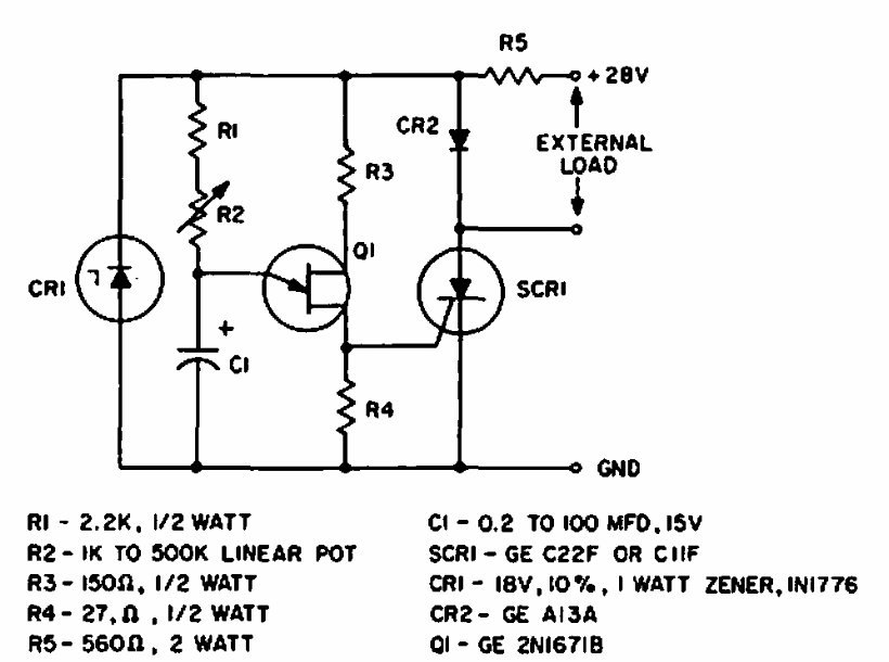
Este circuito foi obtido no Manual de SCRs da General Electric de 1967. O circuito pode usar praticamente qualquer unijunção e SCR de acordo com a carga.

 


| Clique na imagem para ampliar |

 

 

 

NO YOUTUBE


NOSSO PODCAST