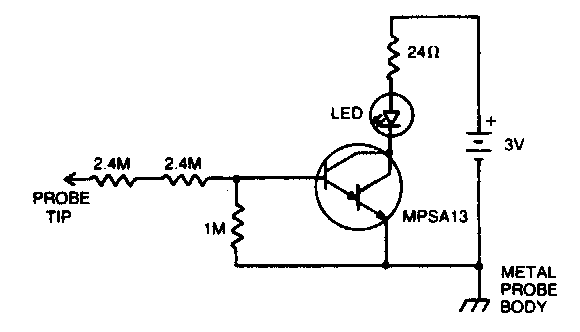
Este circuito para a rede de alimentação usa um LED e um transistor para detectar o polo vivo. O circuito exige resistores de alto valor para obtenção de segurança.

Este circuito para a rede de alimentação usa um LED e um transistor para detectar o polo vivo. O circuito exige resistores de alto valor para obtenção de segurança.
