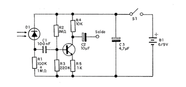
Se modularmos um feixe de luz de um LED, por exemplo, podemos receber este feixe de luz à distância e converter novamente em som. Esta é a base de um sistema de comunicações ópticas. O projeto que damos em seguida é de um receptor, que deve ter sua saída ligada na entrada de qualquer bom amplificador. Qualquer fotodiodo pode ser usado e o alcance vai depender da intensidade do sinal transmitido e da existência de recursos ópticos, como por exemplo lentes. A fixação do fotodiodo no foco de uma luneta, por exemplo, possibilita a extensão do alcance para até mais de 1 Km em condições favoráveis de visibilidade e à noite.
















