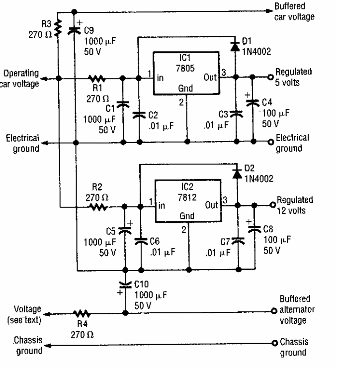
Esta fonte de 1 A foi encontrada numa Electronics Now dos anos 90. Os circuitos integrados devem ser dotados de dissipadores de calor.

 


| Clique na imagem para ampliar |

 

 

NO YOUTUBE


NOSSO PODCAST