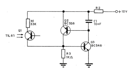
O circuito da figura é muito interessante pois simula um SCR disparado pela luz. Quando a luz incide no fototransistor ele conduz e realimenta através de Q1 a chave regenerativa. Com este circuito, podemos obter uma característica de resistência negativa, que possibilita sua utilização no disparo de SCRs e outros dispositivos.
















