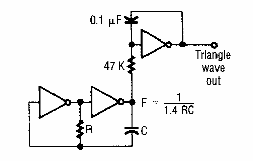
Obtido numa Electronics Now dos anos 90, este circuito gera sinais cuja frequência depende de R e de C. A fórmula para cálculo é dada junto ao diagrama.

 


 

 

 

 

NO YOUTUBE


NOSSO PODCAST