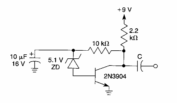
Na figura temos um circuito que emprega um diodo zener e um transistor de uso geral. A alimentação pode ficar entre 9 e 12 V tipicamente e outros zeners podem ser usados.

Na figura temos um circuito que emprega um diodo zener e um transistor de uso geral. A alimentação pode ficar entre 9 e 12 V tipicamente e outros zeners podem ser usados.
